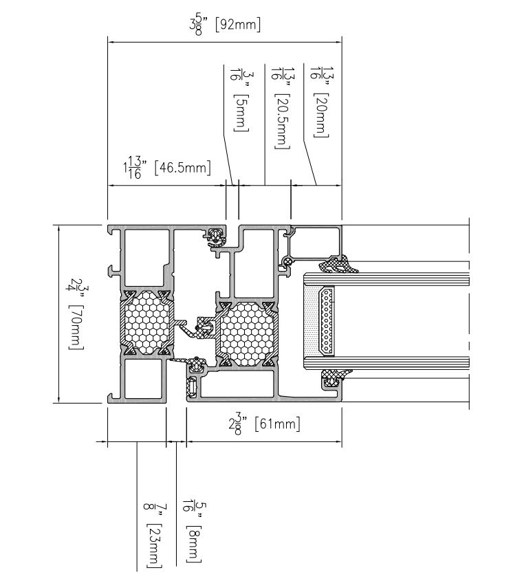
ROW70

Casement Window

  1. Home
  2. Products
  3. Windows
  4. Casement Window (ROW70)

Optional Frame

Technical Data

Request a Free Consultation

Let everyone use good doors and windows